Na początek pewne wyjaśnienie, gdyż zapewne da się zauważyć, że w świecie smd i minimalizacji wszystkiego, nadal w moim projekcie używam techniki THT. Od początku takie było moje założenie. Uważam, że skoro jest to sprzęt z wczesnych lat 80'tych, to dla zachowania jego charakteru, staram się, by zaglądając do środka ten charakter pozostał. Cenię także np. łatwiejszą identyfikowalność części i ich producentów, oryginalności czy większej możliwości ich ew. naprawy przez amatorów. Każdy może stosować swoje techniki. Wszelkie wprowadzone zmiany, są z poszanowaniem oryginalnego wzmacniacza, funkcji, jego układu czy oryginalnie użytych tranzystorów i rozwiązań. Wszystkie oryginalne funkcje wzmacniacza nadal działają i nic nie zostało w prostym "tuningu" usunięte.
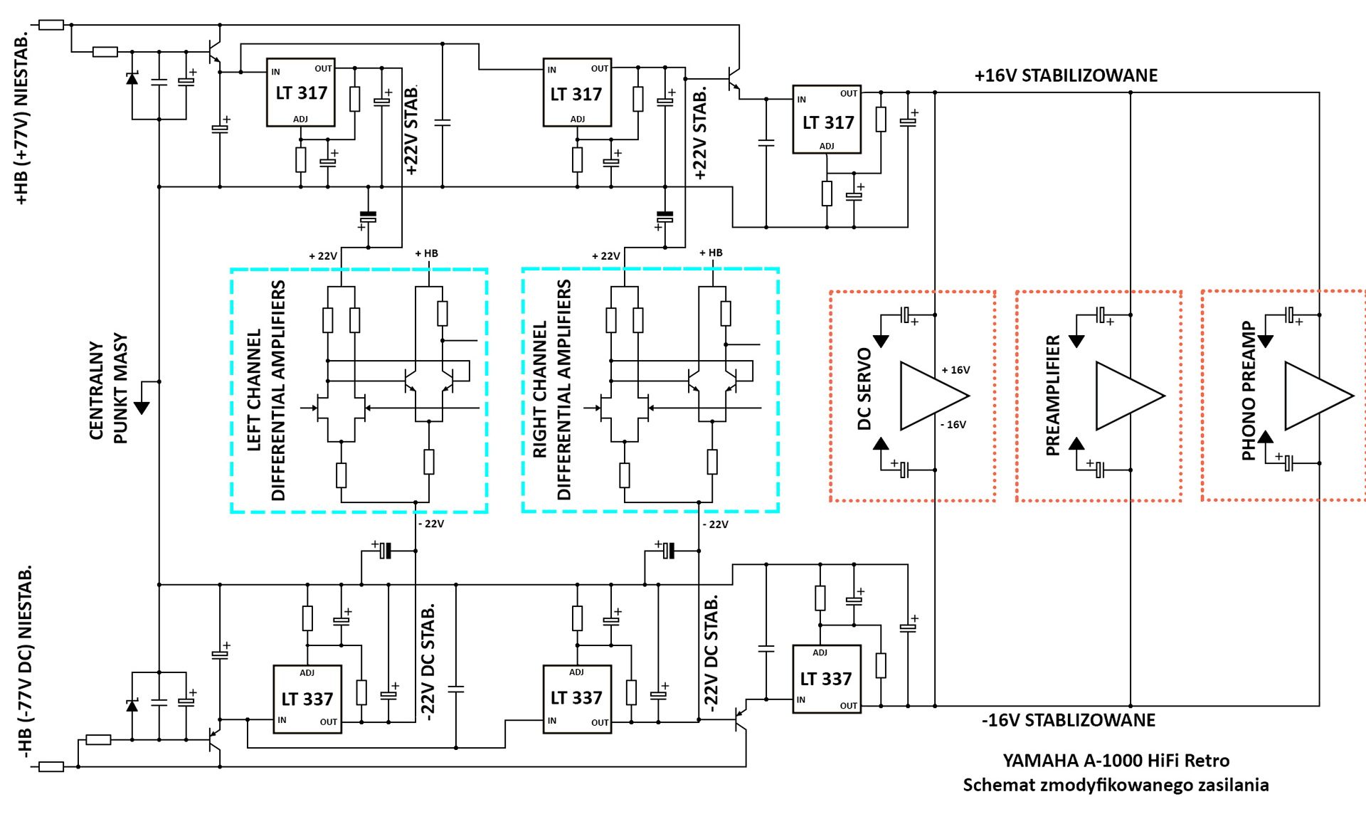
Najważniejszą i mającą największy wpływ na jakość tego wzmacniacza jest modyfikacja układu zasilania. Bez tego, praktycznie nie istnieje możliwość wyjścia ponad klasę brzmienia tzw. "top" modelu z danej serii, jednak ciągle budżetowego, jakim mimo wszystko jest Yamaha A-1000.
W zależności od jakości jego opracowania i rzeczywistego wykonania, bardzo zależy maksymalny efekt jaki można uzyskać, także poprzez inne ulepszenia. Zaletą mojego rozwiązania jest jego skalowalność. W wersji "pełnej" daje największy przyrost jakości. Można go natomiast w celu redukcji kosztów okroić i stosować z pojedynczym stopniem dla obu kanałów, pozbawić go stopni dodatkowych czy nawet zamiennie użyć tańszych wersji scalonych stabilizatorów napięcia, bez zmiany układu.
Oto schemat ideowo blokowy tego rozwiązania:
Jak widać, generalnie polega na wykorzystaniu typowego, od wielu lat znanego, regulowanego stabilizatora liniowego typu lm317/337, jednak w wersji ulepszonej LT317/337, poprzedzonego układem stabilizacji wstępnej, oraz wyposażenia obu w elementy dodatkowe, znacznie poprawiające jego parametry, oraz kolejnego stopnia zasilającego przedwzmacniacze i układ dc servo.
Fani nowoczesności pomyślą pewnie, że to słabo, bo na rynku dostępne są znacznie bardziej nowoczesne scalone stabilizatory o mniejszych szumach. Uzyskanie bdb. parametrów stabilizacji z bardzo niskim szumem, w ogromnej mierze zależy od użytych elementów zewnętrznych (szczególnie kondensatorów), ich dobraniu, umiejscowieniu w układzie, prowadzeniu masy, wpięciu w układ wzmacniacza... Stosując ulepszone LT317/337 można osiągnąć poziom szumów ok. 22uV rms. Ten scalony regulator napięcia przez tak wiele lat udowodnił, że się do tego świetnie nadaje, a wersja ulepszona jeszcze lepiej i do tego jest "vintagowy";-). Ma jeszcze jedną potencjalną zaletę, gdyż można je wymienić na oferowane, podobno doskonałe stabilizatory dyskretne, zamienne z lm317/337 lub opracować własne, bez robienia nowego układu i płytki i w cały układ po prostu je wstawić.
W każdym razie, szumy katalogowe LT317/337 wynoszą 0,001 % napięcia wyjściowego (dla lm317/337 jest to 0,003 % Vo rms) a więc:
22V * 0,001 % = 0,00022V = 220uV RMS
Jednak zastosowanie kondensatora Cadj, szczególnie dobrze dobranego, wg danych z pomiarów ze stron pasjonackich czy dyskusji na forach, redukuje poziom szumów stabilizatora około 10 razy (20db), a więc do poziomu około 22uV RMS przy 22V (TPS7A4700 ma poziom 15uV). Jest to zresztą szczególnie ważny element, bo znacząco wpływa na współczynnik tłumienia tętnień, obniża impedancję wyjściową czy poprawia odpowiedź impulsową. Mimo że wydaje się iż nie powinien wpływać na samo brzmienie wzmacniacza, to zdecydowanie można go "usłyszeć". Istotny jest oczywiście też kondensator wyjściowy Cout oraz kondensatory umieszczone bezpośrednio przy zasilanych układach. Warto stosować też precyzyjne rezystory o współczynniku temperaturowym na poziomie 50 ppm/°C.
Nie będę zbytnio się rozpisywał, ale samo opracowanie własnych układów na tych stabilizatorach jest dobrze opisane w datasheet, licznych poradnikach czy kalkulatorach. Istotą sprawy jest zastosowanie dodatkowych elementów, a w szczególności ich odpowiedni dobór i dobre zaprojektowanie płytki.
Wielu bardzo przydatnych rzeczy można dowiedzieć się np. tu:
Acoustica.org Quick notes on using 3-Pin Voltage regulators
TNT-Audio Voltage regulators part 1
TNT-Audio Voltage regulators part 2
EDN Simple circuits reduce regulator noise floor
High End Audio LM317- Understanding and listening
W moim rozwiązaniu napięcie pobierane jest dokładnie z tej samej linii co w oryginalnym wzmacniaczu. Jest to zrobione celowo przez inżynierów Yamahy, bo sekcje niskonapięciowe do pewnej mocy z jaką gramy, jest odseparowane od sekcji prądowych i mniej na siebie wpływają.
Z tego powodu konieczna jest praca z dość wysokim napięciem. Sam wzmacniacz (jak wiele konstrukcji z tamtych lat) nie posiada możliwości "wzięcia" niskiego napięcia z transformatora, gdyż ten nie posiada ani oddzielnych uzwojeń niskonapięciowych ani odczepów w podstawowym uzwojeniu. Wiąże się to z koniecznością "utracenia" tego napięcia i mocy z tym związanej, tak więc trzeba to zrobić odpowiedzialnie, by zadbać o przyzwoite temperatury wewnątrz i nie było ryzyka uszkodzenia wzmacniacza przy głośniejszym słuchaniu oraz o trwałość sprzętu.
Tę rolę pełni pierwszy stopień stabilizacji wstępnej, który oprócz obniżenia napięcia, w znacznym stopniu redukuje tętnienia sieciowe i zapewnia znacznie stabilniejsze napięcie wejściowe do właściwych stabilizatorów.
Na wejściu układu wygląda to tak:
Na wyjściu układu stabilizacji wstępnej natomiast tak:
Dobrze jest użyć niskoszumną diodę zenera oraz kondensatorów dodatkowych, redukujących jej szum i poprawiających stałość jej napięcia.
Bardzo ważny, jak wcześniej wspomniałem, jest sposób prowadzenia masy. Ja zdecydowanie stosuję się do topologii "gwiazdy" jaką zastosowali inżynierowie Yamahy projektując ten wzmacniacz. Przez masę właśnie, można zniweczyć cały wysiłek nawet stosując super nowoczesne stabilizatory, a do tego można wpaść w problem pętli masy i rzeczy z tym związane.
Przy zaawansowanej modyfikacji całego wzmacniacza na wysokim poziomie, istotne stają się nawet przewody, którymi owe stabilizowane napięcie zostaje doprowadzone do układów wzmacniacza. Nie sprawią oczywiście cudów, jak to można dzisiaj w wielu miejscach wyczytać, jednak spokojnie nawet mniej wprawne ucho jest już w stanie to uchwycić i warto choć trochę z tym "pokombinować".
Układ jest również w pełni kompatybilny z Yamahą A-700.



